首頁關於我們最新消息台灣皇家寵物食品公司聲明稿

台灣皇家寵物食品公司聲明稿

Article

發佈日期:2022/10/20

本公司消費者服務單位近期接獲數起關於皇家於奧地利廠出產的「離乳貓與母貓主食罐(BC34W)產品」的詢問,自2022年10月7日至今日,共收到十件關於此產品的詢問或反饋。針對所有的詢問或反饋,我們均依循公司全球標準的服務處理流程,先至全球異常回報系統登錄,並查詢全球市場是否在同批號有類似的回報案例。

近日本公司消費者客服人員在透過0800服務專線回應關於產品詢問時,態度有失專業、造成消費者及客戶感受不佳,我們誠摯地以此聲明向消費者及客戶致歉。我們知道,在面對缺失時勇於承認並且盡力改善,才是負責任的態度。感謝消費者及客戶對我們的反饋,本公司相關部門主管已在第一時間致電該消費者道歉,並立即召開會議檢討改善,具體措施如下:

  1. 依據公司相關規定,針對客服人員進行嚴正懲處,並針對今後的消費者服務進行專業度、服務態度及流程的改善計畫。
  2. 強化員工教育訓練及客戶服務訓練,改善及加速提升消費者服務品質。

另,關於皇家於奧地利廠出產的「離乳貓與母貓主食罐(BC34W)產品」,本公司正式聲明如下:

「離乳貓與母貓主食罐(BC34W)產品」銷售到多個歐洲及亞洲市場, 包含台灣。截至今日(2022年10月20日)為止,在全球異常回報系統中,同批次號產品沒有來自台灣以外市場的通報,總部也沒有任何產品質量異常的通知!目前台灣皇家收到通報的個案,均未提供貓咪就診紀錄及獸醫師的診斷報告。

皇家的原物料和產品,均符合歐盟美國以及台灣當地的食品安全標準。並且可以做到每批次的溯源追蹤,通過這種方式,我們確保只有符合標準的商品, 才能出廠販售。針對此次狀況,我們除了持續跟進相關個案以釐清情況,也向出產此產品的奧地利廠進行調查。調查包括相應生產運行和批次的生產數據和質量記錄。工廠此批次生產的所有產品在質量方面完全符合產品規格,沒有報告偏差,目前也沒有收到台灣以外市場相關的投訴。

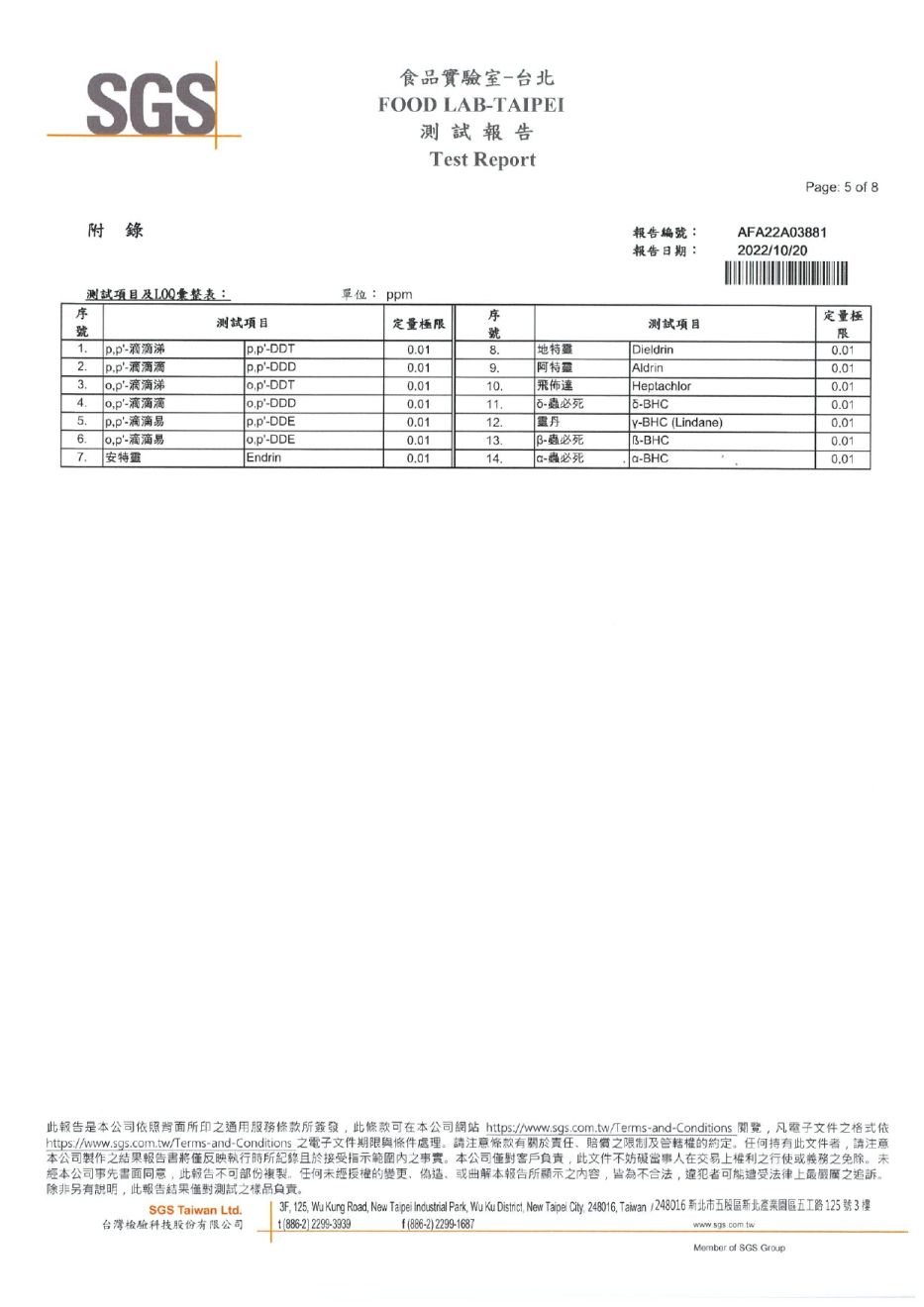
為求資訊公開公正,本公司將通報批號的產品送至台灣檢驗科技股份有限公司(SGS)進行檢測,所有測試項目都在合格的範圍內,符合政府針對寵物食品制定的安全規範,請消費者放心。在此檢附SGS實驗室檢測報告。

對於近日有心人士於社群刻意散布本公司產品食安疑慮的不實消息,本公司深表遺憾。我們掌握完整訊息並保留法律追訴權,也希望相關人士即刻停止發佈或轉發不實訊息!
如有任何疑問,請您洽詢皇家官方Line客服帳號,謝謝。

 

 

分享此頁面